

NL型尼龍內齒型聯軸器適用于軸間及撓性轉動,允許較大的軸向徑向位移,具有結構簡單、維修方便、拆裝容易、噪聲低、傳動動效損失小、使用壽命長等優點。軸孔型式有圓柱形、圓錐形和短圓柱形。軸孔和鍵槽按 標準GB3852-83《聯軸器軸孔和鍵槽形式及尺寸》的規定加工。工作溫度計20~+700℃,扭矩范圍40N·m-315N·m。
半聯軸器采用鑄造,鑄造HT20-40,鑄鋼ZG35II,軸孔和鍵槽采用拉制成型,內齒形聯軸器彈性體外套可根據用戶使用要求選用各種硬度的合成橡膠、聚氨脂膠及增強型尼龍彈性體等材料。
為滿足各種機械的 新改選及引進設備件需要,我廠可以提供品種規格的內齒形彈性聯軸器,并可根據用戶需要接受非標準訂貨同。

| 型號 |
公稱扭矩 Tn (N.M) |
許用轉速n (r/min) |
主要尺寸 (mm) | 大尺寸偏差 |
慣性扭矩 (KgC m 2 ) |
重量 (Kg ) |
||||||||
| 軸孔直徑 d1 d2 |
軸孔 長度 |
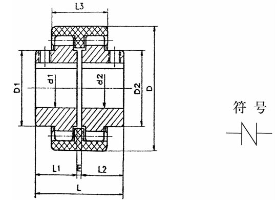
L | D |
D1 D2 |
E | L3 | 軸向(mm) | 徑向(mm) | 角度α° | |||||
| NL1 | 40 | 6000 | 6 8 10 |
16 20 25 32 |
37 45 55 69 |
40 |
26 | 4 | 34 | 2 | ±0.3 | 1° | 0.25 | 0.85 |
| 12 14 | ||||||||||||||
| NL2 | 100 | 6000 | 10 12 14 22 |
25 32 42 52 |
57 71 91 111 |
42 |
36 | 4 | 40 | 2 | ±0.4 | 1° | 0.92 | 1.7 |
| 16 18 20 24 | ||||||||||||||
| NL3 | 160 | 6000 | 20 22 24 | 52 62 |
113 133 |
66 |
44 | 4 | 46 | 2 | ±0.4 | 1° | 3.10 | 2.6 |
| 25 28 | ||||||||||||||
| NL4 | 250 | 6000 | 28 30 32 | 62 82 |
129 169 |
83 |
58 | 4 | 48 | 2 | ±0.4 | 1° | 8.69 | 3.6 |
| 35 38 | ||||||||||||||
| NL5 | 315 | 5000 | 32 35 38 | 82 112 |
169 229 |
93 |
68 | 4 | 50 | 3 | ±0.4 | 2° | 14.28 | 5.5 |
| 40 42 | ||||||||||||||
| NL6 | 400 | 5000 | 40 42 45 | 82 112 |
230 |
100 |
68 | 4 | 52 | 3 | ±0.4 | 2° | 18.34 | 6.8 |
| 48 | ||||||||||||||
| NL7 | 630 | 3600 | 45 48 50 | 82 112 |
229 |
115 |
80 | 4 | 60 | 3 | ±0.6 | 2° | 56.5 | 9.8 |
| 55 | ||||||||||||||
| NL8 | 1250 | 3600 | 48 50 55 | 112 142 |
229 289 |
140 |
96 | 4 | 72 | 3 | ±0.6 | 2° | 98.55 | 26.5 |
| 60 63 65 | ||||||||||||||
| NL9 | 2000 | 2000 | 60 63 65 | 142 172 |
295 351 |
175 |
124 | 6 | 93 | 4 | ±0.7 | 2° | 370.5 | 37.6 |
| 70 71 75 80 | ||||||||||||||
| NL10 | 3150 | 1800 | 70 71 75 80 |
142 172 212 |
292 352 432 |
220 |
157 | 8 | 110 | 4 | ±0.7 | 2° | 1156.8 | 55 |